

每年的315晚会尤其热闹,也许今年就有人吃着淀粉肠看着直播,美滋滋,突然,口里的淀粉肠就不香了,又想起冰箱里还有几袋梅菜扣肉,看看视频,再看看肠,欲哭无泪啊!哀报!打工人的心头好淀粉肠塌房,方便快捷的预制菜梅菜扣肉翻车!
嘤嘤嘤,这究竟还能不能吃啊?吃了有没有事?听听我院临床营养与微生态科严婷主治医师、张丽娜主治医师怎么说。

淀粉肠和火腿肠,确实不太一样
淀粉肠是以食用淀粉、畜禽产品为主要原料,添加调味品、食品添加剂,经绞切、搅拌、灌制,采用熏烤、蒸煮、冷却工艺加工而成,淀粉含量大于 10%, 蛋白质含量不低于 5%的熏煮香肠类肉制品。淀粉含量高,蛋白质含量低。100g面包蛋白质至少是8%,都比它高。
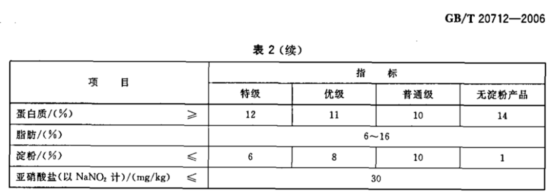
火腿肠的国家标准《GB-T20712-2006》还在有效期内,但是即将被《GB/T20712-2022火腿肠质量通则》给代替。在现行标准中规定普通级、优级、特级和无淀粉火腿肠的蛋白质含量分别不得低于10%、11%、12%、14%;淀粉分别低于10%、8%、6%和1%。和即将更新的国标对比特级、普通级、优级火腿肠蛋白质含量和淀粉含量要求没有什么特殊变动。

淀粉肠没有现成的标准,那么厂家自己可以建立一个标准,这个就是“企业标准”。企业标准的要求是:不能低于任何涉及到的强制标准(比如企业标准中涉及到食品添加剂和农残,不能低于相应的国家标准);标准符合食品生产规范,能够保障食品安全。
鸡骨泥,没你想象的那么糟
鸡骨泥充当食品的配料已经有一段历史了,在《肉类工业》上的一篇文章中写道,每1kg鸡骨泥中约含有蛋白质111g、脂肪128g、灰分23g、钙6.6g、磷3.2g。
分割鸡肉加工后剩下一些边角料——鸡骨架、鸡骨,但是这些骨头上多少带着些肉残留,而且骨头里面也含有些蛋白质和脂肪,把这部分放进机器里面挤压、分离从而得到鸡骨泥。

在营养成分的角度方面,鸡骨泥也就含有蛋白质、脂肪和矿物质也是人体需要的营养成分,人是可以食用的。在食品加工技术方面,鸡骨泥可以用于制作香肠、肉丸、香辣酱等多种产品,提供了一点额外的营养成分,也增强了产品的风味和口感。如果鸡骨泥加工生产过程、卫生指标、制作工艺规范,也满足食品标准,添加在食物里面有何不可?但是商家是否用新鲜的鸡,鸡骨架、骨头整个工序中处于清洁的状态这些问题有待考究。

电商平台上的“淀粉肠”特意标注“无骨泥”
淀粉肠从营养角度出发,其可能存在高脂肪、高盐、高糖的情况,属于不健康的食品,偶尔吃一次没什么问题。但是爱吃它的人可要注意了,即使是真正的肉肠,也属于加工肉制品,早就被世卫组织旗下权威机构列为1类致癌物了。
槽头肉有什么危害?
据“央视财经”报道,预制菜销售火爆,“梅菜扣肉”成“顶流”。315晚会记者接到举报,当地有个别企业用未经严格处理的槽头肉制作梅菜扣肉预制菜。
槽头肉,是指猪头与躯干连接部位的肉,由于槽头肉上淋巴较多,在日常生活中也被称为淋巴肉,属于猪肉中必须进行严格“整修”的部分,是猪肉中公认品质差,价格低的部位。而用处理不干净的劣质槽头肉替代五花肉做梅菜扣肉预制菜,早已是公开的秘密。
淋巴就是一个免疫排毒的器官,很多毒素都需要淋巴进行过滤,所以淋巴自身就会有一些毒素在里面。不论是自家养的猪还是养殖场大规模养的猪,它们的食物中均有一些变质甚至腐烂的东西,细菌、病毒进入了猪的体内,这些细菌、病毒被淋巴腺等免疫器官抑制。因此,带有淋巴腺的“垃圾肉”是不能食用的。

“垃圾肉”经过高温加工也不可能杀灭所有的病毒和细菌,其中有少数病毒是人体无法免疫清除的,偶而、少量吃危害不明显,如果经常食用“垃圾肉”加工的食品,会受到慢性感染。
在1988年的时候,政府出台《生猪屠宰操作规程》规定要求对猪肉屠宰后必须要剔除槽头肉才能上架。因此正规途径购买的猪肉不应该有槽头肉。但不排除少数不法商家,以次充好,让槽头肉“换装”后重新流入市场,还常常做成肉馅和肉丸低价出售。
如何辨别槽头肉?
看、闻:肉的色调惨白,有很多的脂肪层,有较多的颗粒。腥臭非常浓。
摸:摸起来凹凸感非常强,肉质地偏硬,大多数偏颗粒物块,含很多甲状腺囊肿、淋巴结节和脂肪瘤等。
本文指导专家

临床营养与微生态科副主任,结直肠外科三区
马腾辉 副主任医师
医学博士,硕士研究生导师,结直肠外科三区副主任医师,临床营养与微生态科副主任(主持工作)。羊城好医生、广东实力中青年医生。
学术任职:
中国放射性肠损伤研究协作组(CRIIR)执行组长;中国盆腔脏器联合切除协作组(C-PelvEx)共同组长;中国抗癌协会盆腔肿瘤整合专业委员会常务委员;中华消化外科菁英荟结直肠外科学组委员;中国造口管理协作组(COCG)成员;广东省健康管理学会临床营养与消化疾病专业委员会副主任委员。
医疗特长:从事结直肠外科及临床营养相关工作十余年,专注于结直肠癌及放射性肠损伤的外科治疗、肠功能障碍性疾病的营养治疗与微生态治疗,尤其擅长放射性肠损伤晚期严重并发症(直肠阴道瘘、肠梗阻、肠瘘、复杂盆腔瘘等)的手术治疗、低位直肠癌保肛手术治疗、结直肠癌术后吻合口并发症再次保肛手术治疗、局部晚期或复发性结直肠癌手术治疗。自2008年起收治全国各地复杂放射性肠损伤患者2000余例,3000余人次。为中国放射性直肠损伤诊治专家共识(2018版)、(2021版)组织者与执笔人。
出诊时间:周一下午(放射性肠病专科门诊)、周五上午(临床营养--肠功能障碍门诊)、周二下午(雅和门诊、需电话预约:020-38777688)

临床营养与微生态科 严婷 主治医师
从事营养工作十余年,对各种疾病造成的营养不良均有丰富经验。擅长术前术后营养调养、肿瘤放化疗期间营养调养、妊娠期糖尿病营养治疗以及肥胖人群减重。
学术任职:广东省营养学会临床营养专业委员会青年委员、广东省临床医学学会食管肿瘤专业委员会委员、广东省健康管理学会医学营养与健康促进专业委员会委员
门诊时间:周一上午、周四全天

临床营养与微生态科 张丽娜 主治医师
中山大学医学硕士毕业,在职博士就读于广州中医药大学。
医疗特长:擅长肿瘤围术期、乳糜漏、妊娠期糖尿病及造口高流量等疾病的营养指导及治疗。在广东省医院协会营养专委会、广东省临床医学会食管肿瘤专委会、天河医学会中医分会均有任职。
出诊时间:周一下午,周三全天。
责编:张婷婷
初审:戴希安
审核:简文杨、乐虞莹
终审:李文敏
审定发布:李汉荣
内容来源:中山六院
订阅后可查看全文(剩余80%)